- Wago Products
- Cabur Products
-
Cembre Products
-
Tube terminals - End sleeves
-
Ring - Fork - Pin - Blade terminals
-
Slide cable lug
-
Tube connectors
-
Copper tube crimp lugs
-
Copper single-hole terminal lug for circuit beakers
-
Crimping through/sleeve connectors
-
Aluminum tube crimp lugs
-
Bimetallic tube crimp lugs
-
Terminals in roll
-
Connections for for railway applications
-
Other products Cembre
-
Tube terminals - End sleeves
- Identification and labeling systems
-
Sensors
- Temperature
-
Humidity
-
Pressure transmitters
-
Inductive
-
AC - cylindrical - 2 wires
-
AC - DC - AC/DC - rectangular
-
DC - cylindrical - 2 wires
-
DC - cylindrical - 3 wires
-
DC - for cleaning processes with high pressure and temperature - Ecolab
-
DC - for high temperature
-
Special applications (metal face, analog e.t.c.)
-
Namur and amplifiers
-
Presence and direction of vehicles
-
AC - cylindrical - 2 wires
- Magnetic
- Capacitive
-
Photoelectric
-
Diffuse reflective
-
Diffuse reflective Background suppression
-
Retro-reflective
-
Retro-reflective, Polarized
-
For transparent objects
-
Through-beam
-
Through-beam controllers and sensors
-
Color contrast and color points
-
LASER (narrow beam)
-
Fork Sensor
-
Domestic garage door & Industrial gates control
-
Non conductive liquid level sensor
-
Fibre Optic
-
Diffuse reflective
- Ultrasonic
- Connectors and Cable Plugs
- Level control
- Loop detectors
- Environmental (exterior use)
- Air quality (interior use)
-
Motion - Presence detector - Radar
-
Controls
- Pushbuttons - Selectors - Pilot lights
- Limit switches
- Timers and Timer Switches
- Digital meters-PID Control-Transducer-Converters
- Counters - Tachometers
-
Monitoring relays
-
Speed monitor relay
-
1-ph AC/DC voltage monitoring
-
3-ph voltage monitoring
-
1-ph current monitoring
-
3-ph current monitoring
-
3-ph monitoring, phase loss-sequence, asymmetry etc
-
Frequency monitoring
-
Power monitoring
-
Power factor monitoring
-
Level control
-
Dry running and pump alternating
-
Motor temperature monitoring
-
Temperature - Humidity - CO2
-
Motor monitoring and potection units
-
Wind
-
Speed monitor relay
- Current transformers
-
Earth leakage control
-
Flush mounting earth leakage controllers
-
Internal mounting earth leakage controllers
-
DIN rail mounting earth leakage controllers
-
Earth leakage controllers with incorporated CT
-
Solid-core toroidal current transformers
-
Split-core toroidal current transformers
-
External multiplier for earth leakage controllers
-
Flush mounting earth leakage controllers
- Switching power supplies and Automatic battery chargers
- Surge protection devices
- PLC - Operator panels - Automation units
- Safety modules
-
Automatic transfer switches controllers
- Engine and generator controllers
- Software and applications
-
Switches
- Plug-in industrial relays
-
Power and auxiliary contactors - Thermal overload relays
- Motor protection circuit breakers
-
Solid state relays
-
Single phase, small dimensions
-
1 pole solid state relays without built in heatsink
-
1 pole solid state relays with built in heatsink
-
With 2 or 3 independent or not switching poles
-
For DC loads
-
With soft start and analog functions
-
Special functions: sensing, communication, protection
-
3 pole solid state relays with built in heatsink
-
3 phases solid state relays without built in heatsink
-
Electronic contactors and reversing contactors
-
Hybrid single and 3-phase solid state relays
-
Heatsink and accessories
-
Single phase, small dimensions
- Soft starters
- Frequency drivers / inverters
-
Motor control and protection Units
- Switch disconnectors and Rotary cam switches
-
Molted case circuit breakers (MCCB)
- Miniature circuit breakers - Fuse holders - Residual current operated circuit breakers
-
Automatic transfer switches
- Energy management
-
Installation and Marine products
- Industrial Plugs and sockets
- Interlocked socket outlets
- Enclosures and panels
- Control and Protection
- Lighting
-
Products for exterior installations
- Products for worksite installations
- Products for tunnels
- Explosion-proof products (ATEX)
-
Other Marine Products for Ports, Camping and caravan parks (UNAV)
-
Plugs and sockets (UNAV)
-
Interlocked outlet (UNAV)
-
Connection systems for containers (Lloyd’s)
-
Junction boxes for marine use (UNAV)
-
Control devices and optical signals for marine use (UNAV)
-
Bells, sirens and horns for marine use (UNAV)
-
Lighting fixtures for marine use (UNAV)
-
Distribution turrets for water and electric
-
Fire prevention turrets
-
Plugs and sockets (UNAV)
- Professional electrical tools Cembre
- Access Control & Security Systems
- Explosion-proof products
- Bus (Dupline - Smart House / Building)
- Industrial Networks
- Power factor correction
- Photovoltaics (PV instalations)
- E-mobility
- Stainless Steel lighting systems STRAL
- Omniflow - Smart Cities Solutions
DPB71CM23 , DPB71CM48
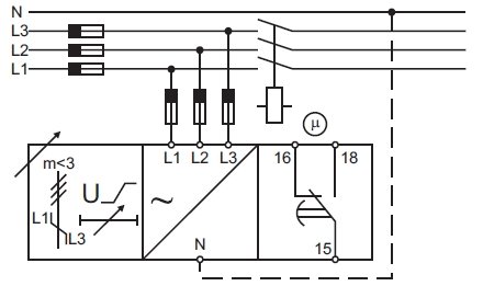
3ph over voltage, under voltage, phase sequence, phase loss monitoring relay with timing functions. Carlo Gavazzi
Product Inquiry
Product Inquiry
DETAILED DESCRIPTION
DPB71CM23 or DPB71CM48
Voltage monitoring relay for measuring: 3 ph or 3 ph+N lines phase sequence, phase loss, over and under voltage (separately adjustable setpoints) with build-in time delay in voltage monitoring and in power-On condition. Small dimensions in a multivoltage monitoring relay with many functions.
Specification
- Power supply: 208 - 240 V AC or 380 - 480 V AC (depending on the model)
- Voltage measuring range: 177 - 275 V AC or 323 - 550 V AC (depending on the model)
- Power On delay: 1 sec or 6 sec
- Delay On alarm time (on under and over voltage function): 0.1 - 30 sec
- Relay output: 5 Α (1 x NO+NC)
- Indications: 1 green LED for power supply, 1 yellow LED for relay ON and 1 red LED for during delay time
- Dimensions: 2- DIN (35.5 x 81 x 67.2 mm)
DOCUMENTS AND SPECIFICATIONS
RELATED PRODUCTS
-
DPB01CM23 , DPB01CM48 , PPB01CM23 , DPB01CM48