- Wago Products
- Cabur Products
-
Cembre Products
-
Tube terminals - End sleeves
-
Ring - Fork - Pin - Blade terminals
-
Slide cable lug
-
Tube connectors
-
Copper tube crimp lugs
-
Copper single-hole terminal lug for circuit beakers
-
Crimping through/sleeve connectors
-
Aluminum tube crimp lugs
-
Bimetallic tube crimp lugs
-
Terminals in roll
-
Connections for for railway applications
-
Other products Cembre
-
Tube terminals - End sleeves
- Identification and labeling systems
-
Sensors
- Temperature
-
Humidity
-
Pressure transmitters
-
Inductive
-
AC - cylindrical - 2 wires
-
AC - DC - AC/DC - rectangular
-
DC - cylindrical - 2 wires
-
DC - cylindrical - 3 wires
-
DC - for cleaning processes with high pressure and temperature - Ecolab
-
DC - for high temperature
-
Special applications (metal face, analog e.t.c.)
-
Namur and amplifiers
-
Presence and direction of vehicles
-
AC - cylindrical - 2 wires
- Magnetic
- Capacitive
-
Photoelectric
-
Diffuse reflective
-
Diffuse reflective Background suppression
-
Retro-reflective
-
Retro-reflective, Polarized
-
For transparent objects
-
Through-beam
-
Through-beam controllers and sensors
-
Color contrast and color points
-
LASER (narrow beam)
-
Fork Sensor
-
Domestic garage door & Industrial gates control
-
Non conductive liquid level sensor
-
Fibre Optic
-
Diffuse reflective
- Ultrasonic
- Connectors and Cable Plugs
- Level control
- Loop detectors
- Environmental (exterior use)
- Air quality (interior use)
-
Motion - Presence detector - Radar
-
Controls
- Pushbuttons - Selectors - Pilot lights
- Limit switches
- Timers and Timer Switches
- Digital meters-PID Control-Transducer-Converters
- Counters - Tachometers
-
Monitoring relays
-
Speed monitor relay
-
1-ph AC/DC voltage monitoring
-
3-ph voltage monitoring
-
1-ph current monitoring
-
3-ph current monitoring
-
3-ph monitoring, phase loss-sequence, asymmetry etc
-
Frequency monitoring
-
Power monitoring
-
Power factor monitoring
-
Level control
-
Dry running and pump alternating
-
Motor temperature monitoring
-
Temperature - Humidity - CO2
-
Motor monitoring and potection units
-
Wind
-
Speed monitor relay
- Current transformers
-
Earth leakage control
-
Flush mounting earth leakage controllers
-
Internal mounting earth leakage controllers
-
DIN rail mounting earth leakage controllers
-
Earth leakage controllers with incorporated CT
-
Solid-core toroidal current transformers
-
Split-core toroidal current transformers
-
External multiplier for earth leakage controllers
-
Flush mounting earth leakage controllers
- Switching power supplies and Automatic battery chargers
- Surge protection devices
- PLC - Operator panels - Automation units
- Safety modules
-
Automatic transfer switches controllers
- Engine and generator controllers
- Software and applications
-
Switches
- Plug-in industrial relays
-
Power and auxiliary contactors - Thermal overload relays
- Motor protection circuit breakers
-
Solid state relays
-
Single phase, small dimensions
-
1 pole solid state relays without built in heatsink
-
1 pole solid state relays with built in heatsink
-
With 2 or 3 independent or not switching poles
-
For DC loads
-
With soft start and analog functions
-
Special functions: sensing, communication, protection
-
3 pole solid state relays with built in heatsink
-
3 phases solid state relays without built in heatsink
-
Electronic contactors and reversing contactors
-
Hybrid single and 3-phase solid state relays
-
Heatsink and accessories
-
Single phase, small dimensions
- Soft starters
- Frequency drivers / inverters
-
Motor control and protection Units
- Switch disconnectors and Rotary cam switches
-
Molted case circuit breakers (MCCB)
- Miniature circuit breakers - Fuse holders - Residual current operated circuit breakers
-
Automatic transfer switches
- Energy management
-
Installation and Marine products
- Industrial Plugs and sockets
- Interlocked socket outlets
- Enclosures and panels
- Control and Protection
- Lighting
-
Products for exterior installations
- Products for worksite installations
- Products for tunnels
- Explosion-proof products (ATEX)
-
Other Marine Products for Ports, Camping and caravan parks (UNAV)
-
Plugs and sockets (UNAV)
-
Interlocked outlet (UNAV)
-
Connection systems for containers (Lloyd’s)
-
Junction boxes for marine use (UNAV)
-
Control devices and optical signals for marine use (UNAV)
-
Bells, sirens and horns for marine use (UNAV)
-
Lighting fixtures for marine use (UNAV)
-
Distribution turrets for water and electric
-
Fire prevention turrets
-
Plugs and sockets (UNAV)
- Professional electrical tools Cembre
- Access Control & Security Systems
- Explosion-proof products
- Bus (Dupline - Smart House / Building)
- Industrial Networks
- Power factor correction
- Photovoltaics (PV instalations)
- E-mobility
- Stainless Steel lighting systems STRAL
- Omniflow - Smart Cities Solutions
EM280-72DMV, TCD06BX, TCD06BS
Multiple energy/analyzer meter up to 32 A for 1 or 3 phase loads (via multiple current transformer). Carlo Gavazzi
Product Inquiry
DETAILED DESCRIPTION
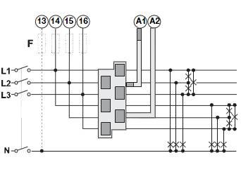
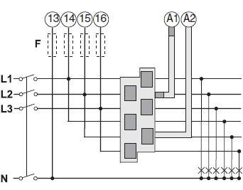
EM280-72DMV…
Multiple energy meter/analyzer with built-in configuration key-pad and LCD data displaying capable to measure the consumed energy (and other electrical parameters) by up two three-phase loads or by up to six single-phase loads. Housing for both DIN-rail and panel mounting with IP50 (front) protection degree. The voltage connections are carried out by a couple of detachable terminals so to allow a very fast daisy chain installation of multiple meters. Measurement of the current up to 32A with external solid-core current transformer block (TCD06BX), linked by RJ11 cables to the EM280 base unit. Moreover the meter is provided either with two pulsating outputs proportional to the active energy being measured (e.g. one for lighting load and one for power load) and a serial RS485 port or with a dual serial RS485port based on detachable terminals for a fast installation. A virtual energy meter can be enabled to provide the total consumptions data of the two 3-phase loads (or of the six 1-phase ones).
Specifications
- 2 meters in 1: up to 2 three-phase loads with virtual sum function
- 6 meters in 1: up to 6 single-phase loads system with virtual sum function
- Virtual meter (sum of two 3-phase or six 1-phase loads)
- Current measurement: 32A with external TCD06BX multiple current transformer block
- Auto-detection of the primary current and diagnostic of the connection with the external TCD06BX multiple current transformer block
- Single phase variables: V, A, kW
- Total energy measurements: total kWh and kvarh
- RS485 serial communication port (standard)
- RS485 dual port for daisy chain connection (optional)
- 2 programmable pulsating outputs (optional)
- Fast installation system by: Daisy-chain of max 20 EM280 by dual voltage terminal blocks
- Detachable serial and pulse outputs terminal blocks
- Overall dimensions: 72x72 mm
- Protection degree (front): IP50
TCD06BX
6-channel solid-core current transformers block to be used in combination with EM280 energy analyser.
Equipped with two RJ11 connectors for a very fast installation. The energy analyser automatically read from TCD06BX its primary current rated value, saving time for the user set-up, and the relevant calibration parameters for a more accurate measurement. It can be mounted directly on the back-panel of the switch gear by up to 4 included clips.
Specifications
- Primary current input: 32 Α
- Max continuous current: 1.2In
- Hole size: 7 mm
- Distance among hole centres: 17.5mm
- Output cable length: 80 cm or 150 cm or 200 cm
- Connection to EM280: 2 x RJ11
- Operating temperature: -25° to +55°C
- Current transformer housing: 118 x 53 x 34 mm
TCD06BS
6-channel split-core current transformers block to be used in combination with EM280 energy analyser.
Equipped with two RJ11 connectors for a very fast installation. The energy analyzer automatically read from TCD06BS its primary current rated value, saving time for the user set-up, and the relevant calibration parameters for a more accurate measurement. It can be mounted directly on the back-panel of the switch gear by up to 4 included clips.
Specifications
- Primary current input: 32 Α
- Max continuous current: 1.2In
- Hole size: 8,2 mm
- Distance among hole centres: 17.5mm
- Output cable length: 80 cm or 150 cm or 200 cm
- Connection to EM280: 2 x RJ11
- Operating temperature: -25° to +55°C
- Current transformer housing: 117,5 x 59 x 45,20 mm