- Wago Products
- Cabur Products
-
Cembre Products
-
Tube terminals - End sleeves
-
Ring - Fork - Pin - Blade terminals
-
Slide cable lug
-
Tube connectors
-
Copper tube crimp lugs
-
Copper single-hole terminal lug for circuit beakers
-
Crimping through/sleeve connectors
-
Aluminum tube crimp lugs
-
Bimetallic tube crimp lugs
-
Terminals in roll
-
Connections for for railway applications
-
Other products Cembre
-
Tube terminals - End sleeves
- Identification and labeling systems
-
Sensors
- Temperature
-
Humidity
-
Pressure transmitters
-
Inductive
-
AC - cylindrical - 2 wires
-
AC - DC - AC/DC - rectangular
-
DC - cylindrical - 2 wires
-
DC - cylindrical - 3 wires
-
DC - for cleaning processes with high pressure and temperature - Ecolab
-
DC - for high temperature
-
Special applications (metal face, analog e.t.c.)
-
Namur and amplifiers
-
Presence and direction of vehicles
-
AC - cylindrical - 2 wires
- Magnetic
- Capacitive
-
Photoelectric
-
Diffuse reflective
-
Diffuse reflective Background suppression
-
Retro-reflective
-
Retro-reflective, Polarized
-
For transparent objects
-
Through-beam
-
Through-beam controllers and sensors
-
Color contrast and color points
-
LASER (narrow beam)
-
Fork Sensor
-
Domestic garage door & Industrial gates control
-
Non conductive liquid level sensor
-
Fibre Optic
-
Diffuse reflective
- Ultrasonic
- Connectors and Cable Plugs
- Level control
- Loop detectors
- Environmental (exterior use)
- Air quality (interior use)
-
Motion - Presence detector - Radar
-
Controls
- Pushbuttons - Selectors - Pilot lights
- Limit switches
- Timers and Timer Switches
- Digital meters-PID Control-Transducer-Converters
- Counters - Tachometers
-
Monitoring relays
-
Speed monitor relay
-
1-ph AC/DC voltage monitoring
-
3-ph voltage monitoring
-
1-ph current monitoring
-
3-ph current monitoring
-
3-ph monitoring, phase loss-sequence, asymmetry etc
-
Frequency monitoring
-
Power monitoring
-
Power factor monitoring
-
Level control
-
Dry running and pump alternating
-
Motor temperature monitoring
-
Temperature - Humidity - CO2
-
Motor monitoring and potection units
-
Wind
-
Speed monitor relay
- Current transformers
-
Earth leakage control
-
Flush mounting earth leakage controllers
-
Internal mounting earth leakage controllers
-
DIN rail mounting earth leakage controllers
-
Earth leakage controllers with incorporated CT
-
Solid-core toroidal current transformers
-
Split-core toroidal current transformers
-
External multiplier for earth leakage controllers
-
Flush mounting earth leakage controllers
- Switching power supplies and Automatic battery chargers
- Surge protection devices
- PLC - Operator panels - Automation units
- Safety modules
-
Automatic transfer switches controllers
- Engine and generator controllers
- Software and applications
-
Switches
- Plug-in industrial relays
-
Power and auxiliary contactors - Thermal overload relays
- Motor protection circuit breakers
-
Solid state relays
-
Single phase, small dimensions
-
1 pole solid state relays without built in heatsink
-
1 pole solid state relays with built in heatsink
-
With 2 or 3 independent or not switching poles
-
For DC loads
-
With soft start and analog functions
-
Special functions: sensing, communication, protection
-
3 pole solid state relays with built in heatsink
-
3 phases solid state relays without built in heatsink
-
Electronic contactors and reversing contactors
-
Hybrid single and 3-phase solid state relays
-
Heatsink and accessories
-
Single phase, small dimensions
- Soft starters
- Frequency drivers / inverters
-
Motor control and protection Units
- Switch disconnectors and Rotary cam switches
-
Molted case circuit breakers (MCCB)
- Miniature circuit breakers - Fuse holders - Residual current operated circuit breakers
-
Automatic transfer switches
- Energy management
-
Installation and Marine products
- Industrial Plugs and sockets
- Interlocked socket outlets
- Enclosures and panels
- Control and Protection
- Lighting
-
Products for exterior installations
- Products for worksite installations
- Products for tunnels
- Explosion-proof products (ATEX)
-
Other Marine Products for Ports, Camping and caravan parks (UNAV)
-
Plugs and sockets (UNAV)
-
Interlocked outlet (UNAV)
-
Connection systems for containers (Lloyd’s)
-
Junction boxes for marine use (UNAV)
-
Control devices and optical signals for marine use (UNAV)
-
Bells, sirens and horns for marine use (UNAV)
-
Lighting fixtures for marine use (UNAV)
-
Distribution turrets for water and electric
-
Fire prevention turrets
-
Plugs and sockets (UNAV)
- Professional electrical tools Cembre
- Access Control & Security Systems
- Explosion-proof products
- Bus (Dupline - Smart House / Building)
- Industrial Networks
- Power factor correction
- Photovoltaics (PV instalations)
- E-mobility
- Stainless Steel lighting systems STRAL
- Omniflow - Smart Cities Solutions
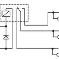
857-354, 857-364, 857-357, 857-358, 857-368, κλεμορελέ, κλεμμορελέ, relay module
Relay module with yellow LED and 1 x NO+NC contact. Supply 24 or 115 or 230 V AC/DC. WAGO
Product Inquiry
Product Inquiry
DETAILED DESCRIPTION
857-354
- Relay module 1xNO+NC with power supply 24 V AC/DC
- Approvals: UL, εx
857-364
- Relay module 1xNO+NC (gold contacts) with power supply 24 V AC/DC
- Approvals: UL, εx
857-357
- Relay module 1xNO+NC with power supply 115 V AC/DC
- Approvals: UL, εx
857-358
- Relay module 1xNO+NC with power supply 230 V AC/DC
- Approvals: GL, UL, εx
857-368
- Relay module 1xNO+NC (gold contacts) with power supply 230 V AC/DC
- Approvals: GL, UL, εx