We use cookies to provide you with a top-notch browsing experience. You can find more information about cookies here. By selecting "Accept Cookies" you accept their placement.

Learn more

SH2WEB24, SH2DUG24, SH2WBU230N, BTMKNX
Controllers, master channel generatorς and basic units for smart home / building

Product Inquiry

Product Inquiry

Controllers, master channel generatorς and basic units for smart home / building

    DETAILED DESCRIPTION

    Programmable controllers SH2WEB24 and SB2WEB24

    SH2WEB24: A programmable controller that includes dedicated functions for home automation (light control, temperature control, roller blind control, alarm monitoring, energy monitoring, etc) and smart functions such as sequence control which enables a series of actions to be performed automatically. This controller includes also a Web server and data logger functions.
    In order to set up the intelligent functions, the SH2WEB24 has to be configured by the Windows based smart-house configuration software (delivered free on the SD-card together with the SH2WEB24) .
    The data logging capabilities for home automation events, environmental data read from smart-house sensors (temperature, light level, ...) and electrical values (energy, power, current, voltage) collected from energy meters and smart-house modules with energy reading and are available as graphs and numbers in formatted tables. The SH2WEB24  performs alarms control, managing also automatic emailing if an Internet connection is available, SMS when combined with SH2UMMF124. All available data can be exported in an .XLSX and .CSV format so to be imported in standard spread sheets for further analysis.
    SB2WEB24: Programmable controllers with special functions for building automation (Smart-building) which has similar characteristics with the SH2WEB24 controller, but has additionally specialized functions for complete HVAC control, simple lighting and DALI systems in smart buildings and BACnet / IP gateway. With this specific function is given the opportunity to DDC controllers use sensors and input / output units of Dupline® system as decentralized inputs / outputs via BACnet handling.

     

    Channel generator for wired networks

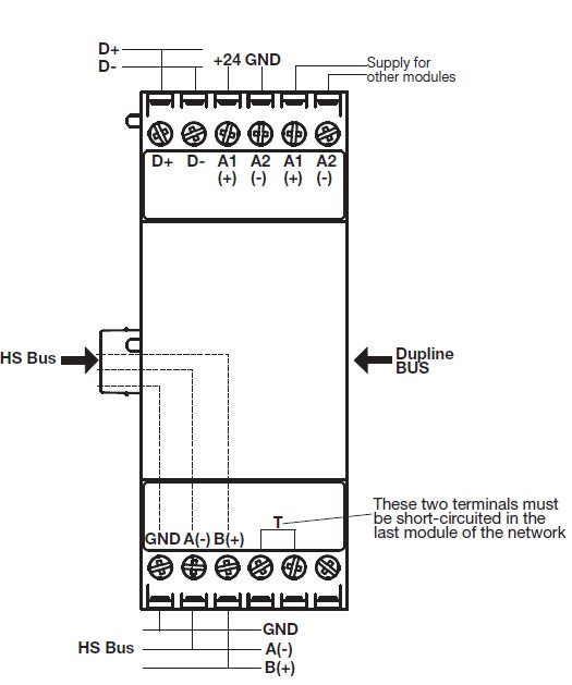
    SH2DUG24: The master channel generator provides the channel generator output drive for a "traditional" Dupline® network in a smart-Dupline® system, which is controlled by the Sx2WEB24.
    Each S_2WEB24 can be connected up to 7 master channel generators in order to have 7 Dupline® and smart Dupline® networks. All the devices are connected via an internal bus if they are in the same cabinet or via terminals if they are mounted on different cabinets.
    Each SH2DUG24 must have an address that has to be programmed using the Sx tool.


    Channel generator for wireless network

    SH2DUG24: This base unit generates the wireless network performing the functions of a wireless access point and router. The generated protocol is called WiDup and it is based on the standard IEEE 802.15.4 at 2.4 GHz.
    It is part of the smart-house system and it has to be used together with the controller S_2WEB24.
    Each S_2WEB24 can be connected to up to 7 sub master generators in order to have up to 7 wired/wireless networks.
    All the devices are connected via an internal bus if they are in the same cabinet or via terminals if they are mounted on different cabinets.
    Each SH2DUG24 must have an address that has to be programmed using the Sx tool.

     

    Gateway connection with KNX systems

    BTMKNX is plug-in module that provides a gateway between Smart Dupline and KNX/EIB bus. This module is an external plug-in module for BTM-T7-24 or BTM-T4-24 touchscreen display.

    PHOTOS AND VIDEOS